Фланец плоский 1/2" CL300 RJ ASME B16.5

Цена по запросу

шт = кг
Добавить строку в заказ
    Прикрепить файлы
    Выберите файл с расширением (jpeg, jpg, png, xls, xlxs, doc, docx, rtf, txt, ppt, pptx, 7z, rar, zip, pdf).
    В корзину Купить в 1 клик Купить в 1 клик

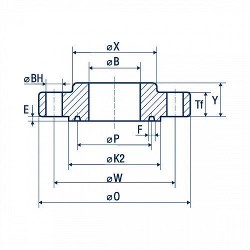
    Технические характеристики и размеры
    Фланец плоский 1/2" CL300 RJ ASME B16.5

    Тип фланца SO - плоский
    Тип соединительной поверхности RJ - с пазом под прокладку
    Стандарт ASME B16.5
    Материал Черный
    Номинальный размер, NPS (inch) 1/2"
    Номинальный диаметр, DN 15
    Номинальное давление, Class 300
    Диаметр воротника при основании, X (мм) 38,1
    Наружный диаметр фланца, O (мм) 95,2
    Количество отверстий, BN 4
    Внутренний диаметр фланца, B (мм) 22,2
    Диаметр отверстий, BH (мм) 15,9
    Вес 1 шт (кг) 0,62
    Высота фланца, Y (мм) 20,6
    Сортировка на сайте 10
    Межосевое расстояние крепежных отверстий, W (мм) 66,5
    Ширина паза, F (мм) 7,14
    Глубина паза, E (мм) 5,56
    Диаметр прижимной поверхности, K2 (мм) 51
    Радиус у дна, R (мм) 0,8
    Диаметр паза, P (мм) 34,11
    Номер кольца, Nr R11

    Описание

    Стальной плоский фланец с впадиной под прокладку (RJ) 1/2" – вид трубопроводной арматуры, представляющий собой крупную шайбу с отверстиями по периметру под крепеж (шпильки, болты). Может иметь отверстие под трубу. Основное назначение плоского фланцевого соединения – прочный и герметичный стык частей трубопровода. Стальной плоский фланец толщиной #TOLSHCHINA_FLANTSA_MIN_TF_MM_S# мм и высотой 20,6 мм не создает препятствий для движения потока и обеспечивает герметичное соединение.

    Размеры плоского приварного фланца 1/2": внутренний диаметр фланца - #VNUTRENNIY_DIAMETR_FLANTSA_MIN_B_MM_S# мм, диаметр воротника при основании - 38,1 мм, радиус у дан - 0,8 глубина паза - 5,56 мм, диаметр паза - 34,11 мм, ширина паза - 7,14 мм, вес плоского фланца - 0,62 кг.

    Регламентируется плоский фланец с впадиной под прокладку овального сечения стандартом ASME B 16.5.

    Нами поставляется стальной плоский фланец с впадиной под прокладку (RJ) из сталей:

    A105, A350 Gr. LF2 CL 1, A350 Gr. LF2 CL 2, A350 Gr. LF3, A350 Gr. LF6, A694 Gr. F42, A694 Gr. F52, A694 Gr. F60, A694 Gr. F70, A182 Gr. F1, A182 Gr. F5, A182 Gr. F9, A182 Gr. F11 CL 1, A182 Gr. F11 CL 2, A182 Gr. F12, A182 Gr. F22, A182 Gr. F91.