Фланец плоский 1/2" CL400 RF ASME B16.5

Цена по запросу

шт = кг
Добавить строку в заказ
    Прикрепить файлы
    Выберите файл с расширением (jpeg, jpg, png, xls, xlxs, doc, docx, rtf, txt, ppt, pptx, 7z, rar, zip, pdf).
    В корзину Купить в 1 клик Купить в 1 клик

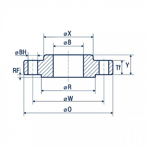
    Технические характеристики и размеры
    Фланец плоский 1/2" CL400 RF ASME B16.5

    Тип фланца SO - плоский
    Тип соединительной поверхности RF - с соединительным выступом
    Стандарт ASME B16.5
    Материал Черный
    Номинальный размер, NPS (inch) 1/2"
    Номинальный диаметр, DN 15
    Номинальное давление, Class 400
    Внутренний диаметр шипа, W (мм) 66,5
    Диаметр воротника при основании, X (мм) 38,1
    Наружный диаметр фланца, O (мм) 95,2
    Количество отверстий, BN 4
    Внутренний диаметр фланца, B (мм) 22,2
    Диаметр отверстий, BH (мм) 15,9
    Диаметр прижимной поверхности, R (мм) 34,9
    Вес 1 шт (кг) 0,91
    Высота фланца, Y (мм) 22,4
    Высота выступа, RF (мм) 7
    Сортировка на сайте 30

    Описание

    Стальной плоский фланец с соединительным выступом (RF) 1/2" – вид трубопроводной арматуры, представляющий собой крупную шайбу с отверстиями по периметру под крепеж (шпильки, болты). Может иметь отверстие под трубу. Основное назначение плоского фланцевого соединения – прочный и герметичный стык частей трубопровода. Стальной плоский фланец толщиной #TOLSHCHINA_FLANTSA_MIN_TF_MM_S# мм и высотой 22,4 мм не создает препятствий для движения потока и обеспечивает герметичное соединение.

    Размеры плоского приварного встык фланца 1/2": внутренний диаметр фланца - #VNUTRENNIY_DIAMETR_FLANTSA_MIN_B_MM_S# мм, диаметр воротника при основании - 38,1 мм, диаметр прижимной поверхности - 34,9 мм, диаметр шипа - #DIAMETR_SHIPA_W_MM_S# мм, высота выступа (RF) - 7 мм, вес плоского фланца - 0,91 кг.

    Регламентируется плоский фланец с соединительным выступом стандартом ASME B 16.5.

    Нами поставляется стальной плоский фланец с соединительным выступом (RF) из сталей:

    A105, A350 Gr. LF2 CL 1, A350 Gr. LF2 CL 2, A350 Gr. LF3, A350 Gr. LF6, A694 Gr. F42, A694 Gr. F52, A694 Gr. F60, A694 Gr. F70, A182 Gr. F1, A182 Gr. F5, A182 Gr. F9, A182 Gr. F11 CL 1, A182 Gr. F11 CL 2, A182 Gr. F12, A182 Gr. F22, A182 Gr. F91.