Фланец раструбный 1" SCH 10 CL600 LT ASME B16.5

Цена по запросу

шт = кг
Добавить строку в заказ
    Прикрепить файлы
    Выберите файл с расширением (jpeg, jpg, png, xls, xlxs, doc, docx, rtf, txt, ppt, pptx, 7z, rar, zip, pdf).
    В корзину Купить в 1 клик Купить в 1 клик

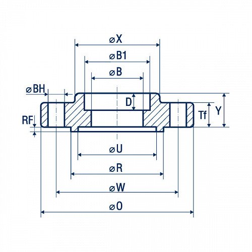
    Технические характеристики и размеры
    Фланец раструбный 1" SCH 10 CL600 LT ASME B16.5

    Тип фланца SW - раструбный
    Тип соединительной поверхности LT - с крупным шипом
    Стандарт ASME B16.5
    Номинальный размер, NPS (inch) 1"
    Номинальный диаметр, DN 25
    Номинальное давление, Class 600
    Диаметр воротника при основании, X (мм) 53,8
    Наружный диаметр фланца, O (мм) 123,9
    Межосевое расстояние крепежных отверстий, W (мм) 88,9
    Количество отверстий, BN 4
    Внутренний диаметр фланца, B (мм) 34,5
    Диаметр отверстий, BH (мм) 19,1
    Глубина раструба, D (мм) 12,7
    Диаметр прижимной поверхности, R (мм) 50,8
    Вес 1 шт (кг) 1,81
    Высота фланца, Y (мм) 26,9
    Диаметр проточки, B1 (мм) 26,6
    Сортировка на сайте 590
    Толщина стенки, WT (schedule) SCH 10
    Диаметр шипа, U (мм) 38,1
    Высота шипа, LT (мм) 7

    Описание

    Стальной раструбный фланец с крупным шипом (LT) 1" – вид трубопроводной арматуры, которая изначально производилась для малогабаритных труб высокого давления. Сейчас раструбные фланцы используют для труб высокого давления с меньшим размером, чем сам фланец. Конструкция фланца раструбного похожа на плоский фланец, но у раструбного радиус отверстия на приварной поверхности больше, чем внутренний радиус трубы, на величину толщины стенки трубы. Стальной раструбный фланец толщиной #TOLSHCHINA_FLANTSA_MIN_TF_MM_S# мм и высотой 26,9 мм не создает препятствий для движения потока и обеспечивает герметичное соединение.

    Размеры раструбного фланца 1": внутренний диаметр фланца - #VNUTRENNIY_DIAMETR_FLANTSA_MIN_B_MM_S# мм, диаметр воротника при основании - 53,8 мм, толщина стенки - sch 10, диаметр прижимной поверхности - 50,8 мм, высота шипа - 7 мм, глубина раструба - 12,7 мм, диаметр проточки - 26,6 мм, вес растубного фланца - 1,81 кг.

    Регламентируется раструбный фланец с крупным шипом стандартом ASME B 16.5.

    Нами поставляется стальной раструбный фланец с крупным шипом (LT) из сталей:

    A105, A350 Gr. LF2 CL 1, A350 Gr. LF2 CL 2, A350 Gr. LF3, A350 Gr. LF6, A694 Gr. F42, A694 Gr. F52, A694 Gr. F60, A694 Gr. F70, A182 Gr. F1, A182 Gr. F5, A182 Gr. F9, A182 Gr. F11 CL 1, A182 Gr. F11 CL 2, A182 Gr. F12, A182 Gr. F22, A182 Gr. F91.