Фланец раструбный 3" SCH 80 CL300 RJ ASME B16.5

Цена по запросу

шт = кг
Добавить строку в заказ
    Прикрепить файлы
    Выберите файл с расширением (jpeg, jpg, png, xls, xlxs, doc, docx, rtf, txt, ppt, pptx, 7z, rar, zip, pdf).
    В корзину Купить в 1 клик Купить в 1 клик

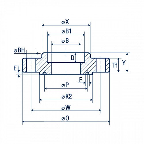
    Технические характеристики и размеры
    Фланец раструбный 3" SCH 80 CL300 RJ ASME B16.5

    Тип фланца SW - раструбный
    Тип соединительной поверхности RJ - с пазом под прокладку
    Стандарт ASME B16.5
    Номинальный размер, NPS (inch) 3"
    Номинальный диаметр, DN 80
    Номинальное давление, Class 300
    Диаметр воротника при основании, X (мм) 117,3
    Наружный диаметр фланца, O (мм) 209,5
    Межосевое расстояние крепежных отверстий, W (мм) 168,1
    Количество отверстий, BN 8
    Внутренний диаметр фланца, B (мм) 90,7
    Диаметр отверстий, BH (мм) 22,2
    Глубина раструба, D (мм) 20,6
    Вес 1 шт (кг) 6,2
    Высота фланца, Y (мм) 41,3
    Диаметр проточки, B1 (мм) 77,9
    Сортировка на сайте 2480
    Толщина стенки, WT (schedule) SCH 80
    Ширина паза, F (мм) 11,91
    Глубина паза, E (мм) 7,92
    Диаметр прижимной поверхности, K2 (мм) 146
    Радиус у дна, R (мм) 0,8
    Диаметр паза, P (мм) 123,83
    Номер кольца, Nr R31

    Описание

    Стальной раструбный фланец с впадиной под прокладку (RJ) 3" – вид трубопроводной арматуры, которая изначально производилась для малогабаритных труб высокого давления. Сейчас раструбные фланцы используют для труб высокого давления с меньшим размером, чем сам фланец. Конструкция фланца раструбного похожа на плоский фланец, но у раструбного радиус отверстия на приварной поверхности больше, чем внутренний радиус трубы, на величину толщины стенки трубы. Стальной раструбный фланец толщиной #TOLSHCHINA_FLANTSA_MIN_TF_MM_S# мм и высотой 41,3 мм не создает препятствий для движения потока и обеспечивает герметичное соединение.

    Размеры раструбного фланца 3": внутренний диаметр фланца - #VNUTRENNIY_DIAMETR_FLANTSA_MIN_B_MM_S# мм, диаметр воротника при основании - 117,3 мм, радиус у дна - 0,8 мм, глубина паза - 7,92 мм, диаметр паза - 123,83 мм, ширина паза - 11,91 мм, вес растубного фланца - 6,2 кг.

    Регламентируется раструбный фланец с впадиной под прокладку овального сечения стандартом ASME B 16.5.

    Нами поставляется стальной раструбный фланец с впадиной под прокладку (RJ) из сталей:

    A105, A350 Gr. LF2 CL 1, A350 Gr. LF2 CL 2, A350 Gr. LF3, A350 Gr. LF6, A694 Gr. F42, A694 Gr. F52, A694 Gr. F60, A694 Gr. F70, A182 Gr. F1, A182 Gr. F5, A182 Gr. F9, A182 Gr. F11 CL 1, A182 Gr. F11 CL 2, A182 Gr. F12, A182 Gr. F22, A182 Gr. F91.