Фланец резьбовой нержавеющий 1/2" CL150 RF ASME B16.5

Цена по запросу

шт = кг
Добавить строку в заказ
    Прикрепить файлы
    Выберите файл с расширением (jpeg, jpg, png, xls, xlxs, doc, docx, rtf, txt, ppt, pptx, 7z, rar, zip, pdf).
    В корзину Купить в 1 клик Купить в 1 клик

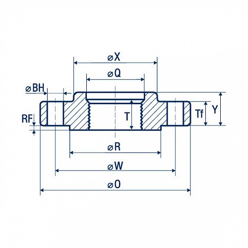
    Технические характеристики и размеры
    Фланец резьбовой нержавеющий 1/2" CL150 RF ASME B16.5

    Тип фланца THRD - резьбовой
    Тип соединительной поверхности RF - с соединительным выступом
    Стандарт ASME B16.5
    Материал Нержавеющий
    Номинальный размер, NPS (inch) 1/2"
    Номинальный диаметр, DN 15
    Номинальное давление, Class 150
    Диаметр воротника при основании, X (мм) 30,2
    Наружный диаметр фланца, O (мм) 88,9
    Межосевое расстояние крепежных отверстий, W (мм) 60,5
    Количество отверстий, BN 4
    Диаметр отверстий, BH (мм) 15,9
    Внутренний диаметр фланца, мин., Q (мм) 23,6
    Диаметр прижимной поверхности, R (мм) 34,9
    Вес 1 шт (кг) 0,47
    Длина резьбы, T (мм) 15,7
    Высота фланца, Y (мм) 14,2
    Высота выступа, RF (мм) 2
    Сортировка на сайте 10

    Описание

    Резьбовые фланцы 1/2" RF из нержавеющей стали являются соединительным элементом трубопроводных частей с резьбой на концах. Основным преимуществом применения фланцев thrd - резьбовой является возможность монтажа на огнеопасных участках систем. Требования к изделиям регламентируются стандартом ASME B 16.5.

    Нержавеющие фланцы THRD имеют внутреннюю метрическую резьбу. Класс давления 150. Тип соединительной поверхности – rf - с соединительным выступом.

    Размеры резьбовых фланцев 1/2" RF: наружный диаметр – 88,9 мм, внутренний диаметр – 23,6 мм, высота выступа RF – 2 мм, вес одного фланца – 0,47 кг.

    Нержавейка, из которой выполняются резьбовые фланцы 1/2", может эксплуатироваться в контакте с агрессивными средами, а также при повышенных температурах.

    Чаще всего соединительные элементы Threaded flange 1/2" применяются на линиях с небольшим диаметром, работающих под невысоким давлением. Резьбовые фланцы RF востребованы в газовой, нефтехимической, пищевой, фармацевтической и других отраслях промышленности.

    В компании ЕМК можно купить резьбовые фланцы 1/2" RF Class 150 из марок нержавеющей стали:

    A182 Gr. F44, A182 Gr. F51, A182 Gr. F53, A182 Gr. F55, A182 Gr. F304, A182 Gr. F304L, A182 Gr. F316, A182 Gr. F316L, A182 Gr. F316Ti, A182 Gr. F321, A182 Gr. F347, A182 Gr. F60, A182 Gr. F904L.