Фланец воротниковый 2" SCH 160 CL300 LM ASME B16.5

Цена по запросу

шт = кг
Добавить строку в заказ
    Прикрепить файлы
    Выберите файл с расширением (jpeg, jpg, png, xls, xlxs, doc, docx, rtf, txt, ppt, pptx, 7z, rar, zip, pdf).
    В корзину Купить в 1 клик Купить в 1 клик

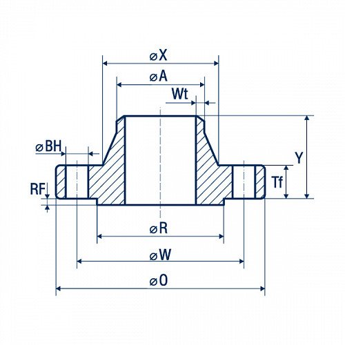
    Технические характеристики и размеры
    Фланец воротниковый 2" SCH 160 CL300 LM ASME B16.5

    Тип фланца WN - воротниковый
    Тип соединительной поверхности LM - с крупным выступом
    Стандарт ASME B16.5
    Материал Черный
    Номинальный размер, NPS (inch) 2"
    Номинальный диаметр, DN 50
    Номинальное давление, Class 300
    Толщина стенки, WT (shedule) SCH 160
    Диаметр воротника при основании, X (мм) 84,1
    Наружный диаметр фланца, O (мм) 165,1
    Межосевое расстояние крепежных отверстий, W (мм) 127
    Количество отверстий, BN 8
    Внутренний диаметр фланца, B (мм) 52,5
    Диаметр отверстий, BH (мм) 19,1
    Диаметр воротника под приварку, A (мм) 60,3
    Диаметр прижимной поверхности, R (мм) 92,1
    Вес 1 шт (кг) 3,4
    Высота фланца, Y (мм) 68,3
    Сортировка на сайте 3 010
    Высота выступа, LM (мм) 7

    Описание

    Стальной воротниковый фланец с крупным выступом (LM) 2" – вид трубопроводной арматуры, представляющий собой дискообразную деталь с симметричными отверстиями под крепеж (шпильки или болты). Осесимметрично расположенный конусообразный выступ - воротник (шея, юбка), необходим для прочной приварки встык фланца к трубе. Также воротник обеспечивает плавный переход от фланца к трубе/фитингу при многократных сгибах. Стальной воротниковый фланец толщиной #TOLSHCHINA_FLANTSA_MIN_TF_MM_S# мм и высотой 68,3 мм не создает препятствий для движения потока и обеспечивает герметичное соединение.

    Размеры воротникового приварного встык фланца 2": внутренний диаметр фланца - #VNUTRENNIY_DIAMETR_FLANTSA_MIN_B_MM_S# мм, диаметр воротника при основании - 84,1 мм, диаметр воротника под приварку - 60,3 мм, диаметр прижимной поверхности - 92,1 мм, толщина стенки - sch 160, высота выступа (LM) - 7 мм, вес воротникового фланца - 3,4 кг.

    Регламентируется воротниковый фланец с крупным выступом стандартом ASME B 16.5.

    Нами поставляется стальной воротниковый фланец с крупным выступом (LM) из сталей:

    A105, A350 Gr. LF2 CL 1, A350 Gr. LF2 CL 2, A350 Gr. LF3, A350 Gr. LF6, A694 Gr. F42, A694 Gr. F52, A694 Gr. F60, A694 Gr. F70, A182 Gr. F1, A182 Gr. F5, A182 Gr. F9, A182 Gr. F11 CL 1, A182 Gr. F11 CL 2, A182 Gr. F12, A182 Gr. F22, A182 Gr. F91.